Novi artikli

    HID. VENTIL 4xP80   2x JOYSTIC
    HID. VENTIL 4xP80   2x JOYSTIC
    HID. VENTIL 4xP80   2x JOYSTIC
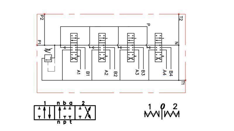
    vezalna shema 4xP80
    kit joystick
    shema montaže
    HID. VENTIL 4xP80   2x JOYSTIC
    HID. VENTIL 4xP80   2x JOYSTIC
    HID. VENTIL 4xP80   2x JOYSTIC
    vezalna shema 4xP80
    kit joystick
    shema montaže

    HID. VENTIL 4xZ80 + 2x JOYSTICK

    Šifra:
    20468
    OEM:
    9990000026081
    Stopnja davka
    22 %
    Cena brez DDV:
    282,79 EUR
    Cena z DDV:
    345,00 EUR
    Ref:
    10
    Lean Pay
    Informativen izračun ob nakupu na obroke
    polog0,00 EUR
    3 × 124,90 EUR
    polog0,00 EUR
    6 × 63,15 EUR
    polog0,00 EUR
    12 × 32,28 EUR
    polog0,00 EUR
    24 × 16,86 EUR
    polog0,00 EUR
    36 × 11,74 EUR
    DODAJ V KOŠARICO

    Splošni opis:

    Ročni oziroma mehanski hidravlični ventil Z80 so namenjeni za distribucijo in krmiljenje delovnega toka med hidravlično črpalko ter porabniki (cilindri, hidromotorji…).
    Hidravlični ventili se uporabljajo za različne namene, v kmetijstvu, industriji, gradbeništvu, ipd.  za krmiljenje:

    • enosmernih cilindrov
    • dvosmernih cilindrov
    • hidromotorjev
    • plavajoče funkcije (za plug)
    • joystickov (gor-dol, levo-desno)

    Sestavljeni so v bloku od 1 do 6 ročic.

     

    Delovanje:

    Vsi hidravlični ventili so opremljeni z varnostnim ventilom. V nevtralnem položaju (ročica v sredini) olje kroži skozi ventil. Pri prestavitvi ročice v eno ali drugo stran, hidravlični ventil povzroči gibanje cilindra oz. vrtenje hidromotorja v eno ali drugo smer. Po spustitvi ročke se le ta samodejno vrne v nevtralni položaj, hidromotor oz. cilinder se ustavi v trenutnem položaju, olje pa ponovno kroži skozi ventil. Možna je uporaba tako imenovanega »closed center« elementa, kar pri ventilu spremeni, da v nevtralnem položaju olje ne kroži skozi ventil oz. takšen ventil ni več pretočen. Pri uporabi oz. vezavi še ostalih ventilov je potrebno uporabiti člen »carry over«,  ki omogoča oskrbo olja še za ostale ventile.

    Pri ventilih z vreteni za plavajočo funkcijo, le ta omogoča cilindru prost pretok olja, kar posledično pomeni da se cilinder prosto giblje (oz. se snežni plug prilagaja terenu).

    Ventili z vreteni za enosmerni cilinder, so namenjeni za enosmerni cilinder.

     

    Zgradba:

    Р80 je monoblok distribucijski ventil. Izdelan je iz litega železa EN-GJL300. Vretena so izdelana iz ogljikovega jekla ter so trdo kromana.

     

    Priključki:

    Vreteno je privijačeno z dvema vijakoma M8.

    Dobavitelj:
    Bolgarija
    maksimalni tlak priključek "T":
    50 bar
    Vračilo ali menjava:
    14 dni
    Teža izdelka:
    12,60 kg
    Nazivni pretok:
    80 lit/min
    Garancija:
    6 mesecev
    Delovna temperatura:
    -40 do +60°C
    maksimalni tlak priključek "P":
    250 bar
    Delovna temperatura olja:
    -15 do +80°C
    tovarniško nastavljen varnostni ventil:
    180 bar
    območje nastavitve varnostnega ventila:
    50-230 bar
    maksimalni tlak priključek "A" in "B":
    300 bar

    +386 (0) 41 892 655   info@rositeh.si

     

    ROSI Teh d.o.o. Vse za kmetijsko in industrijsko hidravliko Poljčane, ID za DDV: SI 42791375,  IBAN: SI56 0443 0000 3103 435

     

    Piškotki za analitiko
    Ti se uporabljajo za beleženje analitike obsikanosti spletne strani in nam zagotavljajo podatke na podlagi katerih lahko zagotovimo boljšo uporabniško izkušnjo.
    Piškotki za družabna omrežja
    Piškotki potrebni za vtičnike za deljenje vsebin iz strani na socialna omrežja.
    Piškotki za komunikacijo na strani
    Piškotki omogočajo prikaz, kontaktiranje in komunikacijo preko komunikacijskega vtičnika na strani.
    Piškotki za oglaševanje
    So namenjeni targetiranemu oglaševanju glede na pretekle uporabnikove aktvinosti na drugih straneh.
    Kaj so piškotki?
    Z obiskom in uporabo spletnega mesta soglašate z uporabo in beleženjem piškotkov.V redu Več o piškotkih