Neue Artikel

    BLOCKVENTIL VBPDE 3/8 - 35lit MIT SCHLAUCHEN
    BLOCKVENTIL VBPDE 3/8 - 35lit MIT SCHLAUCHEN
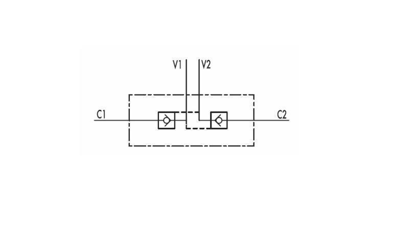
    BLOCKVENTIL VBPDE 3/8 - 35lit MIT ROHREN - Schema
    BLOCKVENTIL VBPDE 3/8 - 35lit MIT ROHREN - Diagramm
    BLOCKVENTIL VBPDE 3/8 - 35lit MIT SCHLAUCHEN
    BLOCKVENTIL VBPDE 3/8 - 35lit MIT SCHLAUCHEN
    BLOCKVENTIL VBPDE 3/8 - 35lit MIT ROHREN - Schema
    BLOCKVENTIL VBPDE 3/8 - 35lit MIT ROHREN - Diagramm

    SPERRBLOCKVENTIL VBPDE 3/8 - 35 lit MIT RÖHREN

    GEEIGNET FÜR DIE ZYLINDER MIT DEN HUB VON 150mm BIS 500mm
    Artikel Nummer
    10426
    OEM:
    9990000003525
    Steuersatz
    22 %
    Preis exklusive Mehrwertsteuer:
    21,31 EUR
    Preis inklusive Mehrwertsteuer:
    26,00 EUR
    Ref:
    266
    ZUM EINKAUFSWAGEN HINZUFÜGEN

    Rückschlagventil / Sperrblockventil

     Dient für Sicherheit (im Schadenfall von Schlauchen bleibt der Zylinder in derselben Position). Sperrblockventil dient ebenso dafür, damit der Schlauch nicht unter Druck ist und verschiedene Kräfte am Zylinder nicht das Ventil oder Hydrauliksystem belasten.

     

    Verwendung:

     

    Sperrblockventil verwendet man zum Absperren von Zylinder in beiden Betrieb Richtungen. Durchfluss löst sich in der eine Richtung und blockiert in die zweite Richtung, so lange wir in die zweite Richtung das Steuerdruck nicht verwenden. Es funktioniert auch umgekehrt. Sperrblockventile kann man einfach aufs Zylinder montieren.

     

    Metallröhre:

     

    Dienen zu Montage auf den Zylinder. Dabei bleibt die Kürzeste fix und die Längere schneidet man ab nach der Maß. Man kann so ein Sperrblockventil mit Röhren nicht auf den Zylinder mit kürzerem Hub als 150 mm montieren.

     

    Material:

     

    Eisen - verzinkt

    Ventilinnere ist aus Hartmetallteilen

    Verdichtungen: BUNA N Standard

     

    Anschließen:

     

    Schließen sie die Hydraulikleitung an V1 und V2 an. Schließen sie C1 und C2 an den Aktuator (Hydraulikzylinder) an.

    Lieferant:
    Italien
    Max. Druck:
    350 bar
    Rückerstattung oder Umtausch:
    14 Tagen
    Produkt gewicht:
    0,776 kg
    Garantie:
    6 Monate
    Max. Durchfluss:
    35 l/min
    Schutz:
    Verzinkt

    +43 664 184 37 71   info@rositeh.de

     

    ROSI Teh d.o.o. Alles für landwirtschaftliche und industrielle Hydraulik Poljčane, USt-ID: SI 42791375,  IBAN: SI56 0443 0000 3103 435

     

    Cookies für die Analyse
    Sie werden verwendet, um die Obskuritätsanalyse der Website aufzuzeichnen und uns Daten zur Verfügung zu stellen, um eine bessere Benutzererfahrung zu bieten.
    Cookies für soziale Netzwerke
    Cookies sind für Plug-Ins erforderlich, um Inhalte von sozialen Medien zu teilen.
    Cookies zur Kommunikation auf der Website
    Mit Cookies können Sie sich über das Kommunikations-Plug-In auf der Seite anmelden, kontaktieren und kommunizieren.
    Werbung Cookies
    Sie zielen auf zielgerichtete Werbung ab, die auf der Aktivität von früheren Nutzern auf anderen Websites basiert.
    Was sind cookies?
    Durch den Besuch und die Nutzung der Website stimmen Sie der Verwendung und Aufzeichnung von Cookies zu.OK Erfahren Sie mehr über Cookies